Links
My Account
My Wishlist
Blog
Log in
Welcome to HSELL!
0
Shopping cart
Your shopping cart is empty.
Search form
Accessories
Camera Housing
Bullet Camera Housing
DVR
HD XVR
All products
NVR
HD H.265 NVR
HD H.264 NVR
Lens
Camera Board
USB Camera Board
IP Camera Board
IP Auto Zoom Camera Module
AHD Hybird Camera Board
Camera
AHD Camera
Mnini Camera
Mini EX-SDI HD-SDI AHD TVI CVI CVBS Camera
IP Camera
Zoom IP Camera
Dome Camera
Home
Lens
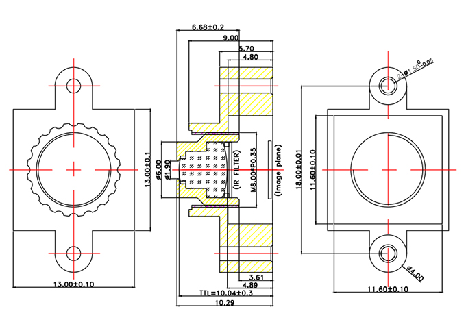
4k mini wifi camera 1/3" 7mm single glass M12 pinhole lens for doorbell pinhole fixed focus security monitoring lens
Log in
or
register
to post comments
4k mini wifi camera 1/3" 7mm single glass M12 pinhole lens for doorbell pinhole fixed focus security monitoring lens
Product category:
Lens
SKU:
215425
Price:
$8.00
Quantity
Price
1 - 9999
$8.00
10000 - Unlimited
$5.00
Quantity